电动对夹式球阀
产品型号:Q971F
发布时间:2012-3-13 10:31:41
Q971F电动对夹式球阀是引进意大利技术进行国产化设计而发展出的新一代超短法兰距球阀。
下一个产品:没有了
上一个产品:全锻钢高压硬密封球阀
相关产品:
保温球阀
气动三通球阀
蜗轮固定球阀
电动对夹式球阀
全锻钢高压硬密封球阀
精小型气动O型切断球阀
电子式电动O型球阀
气动O型切断球阀
电动O型调节球阀
气动保温球阀
衬氟球阀
外螺纹球阀
不锈钢法兰球阀
高压焊接球阀
广式内螺纹球阀
三通四密封球阀
三片式承插焊球阀
法兰三通球阀
广式法兰球阀
法兰放料球阀
锻钢硬密封球阀
三片式对焊球阀
三片式法兰球阀
三片式球阀
二片式球阀
一片式球阀
对夹式薄型球阀
电动三通球阀
保温缩径球阀
超薄型对夹保温球阀
对夹式保温球阀
气动固定球阀
蜗轮浮动法兰球阀
螺纹不锈钢三通球阀
不锈钢整体高温球阀
气动浮动不锈钢球阀
电动硬密封V型调节球阀
电动固定球阀
锻钢固定球阀
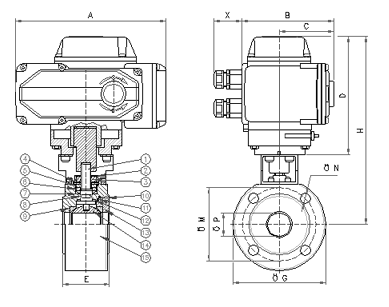
Q971F电动对夹式球阀概述:
Q971F电动球阀是球芯通道形状有矩形、V形及O形。该系列产品具有结构紧凑、体积小、重量轻、安装方便等特点,可广泛应用在石油、化工、冶金、电站、轻工等领域,对油、水、气及纸浆或纤维状流体进行自动调节或切断控制。
Q971F电动对夹式球阀技术参数:
| 阀类 | 传动方式 | 连结形式 | 结构形式 | 密封面 | 公称压力(MPa) | 阀体材料 |
| 球阀 |
9-电动 |
对夹式 |
浮动球直通 |
F-氟塑料 H-合金钢 PPL |
1.6 2.5 4.0 6.4 |
按表内阀体 材料代号 |
| 公称通径DN(mm) | 15-150 | |||||
| 材料代号 | C | P | R | |||
|
主 要 零 件 |
阀体 | WCB | ZG1Cr18Ni9Ti | ZG0Cr18Ni12Mo2Ti | ||
| 球板 | 2Cr13 | ZG1Cr18Ni9Ti | ZG0Cr18Ni12Mo2Ti | |||
| 阀杆 | 2Cr13 | 1Cr18Ni9Ti | 0Cr18Ni12Mo2Ti | |||
| 密封圈 | 增强聚四氟乙烯 对位聚苯 | |||||
| 填料 | 聚四氟乙烯 柔性石墨 | |||||
|
适 用 工 况 |
适用介质 |
水、蒸汽、油品
|
硝酸类 | 醋酸类 | ||
| 适用温度 | -28℃~250℃ | |||||
电动对夹超薄型球阀安装尺寸表:

| 公称通径DN(mm) | 尺 寸(mm) | 执行器型号 | ||||||
| L | D | D1 | D2 | B | F | Z-φd | ||
| 15 | 35 | 95 | 65 | 45 | 14 | 2 | 4-M12 |
可选配QTD/GTE、 HY系列执行器 (以上选配仅供参选 具体选用根据实际要求) |
| 20 | 38 | 105 | 75 | 55 | 14 | 4-M12 | ||
| 25 | 42 | 115 | 85 | 65 | 14 | 4-M12 | ||
| 32 | 50 | 135 | 100 | 78 | 16 | 4-M16 | ||
| 40 | 60 | 145 | 110 | 85 | 16 | 4-M16 | ||
| 50 | 70 | 160 | 125 | 100 | 16 | 3 | 4-M16 | |
| 65 | 95 | 180 | 145 | 120 | 18 | 4/8-M16 | ||
| 80 | 118 | 190 | 160 | 135 | 20 | 8-M16 | ||
| 100 | 140 | 215 | 180 | 155 | 20 | 8-M16 | ||
| 125 | 175 | 245 | 210 | 185 | 22 | 8-M16 | ||
| 150 | 210 | 280 | 240 | 210 | 24 | 8-M20 | ||