相关产品:
保温球阀
气动三通球阀
蜗轮固定球阀
电动对夹式球阀
全锻钢高压硬密封球阀
精小型气动O型切断球阀
电子式电动O型球阀
气动O型切断球阀
电动O型调节球阀
气动保温球阀
衬氟球阀
外螺纹球阀
不锈钢法兰球阀
高压焊接球阀
广式内螺纹球阀
三通四密封球阀
三片式承插焊球阀
法兰三通球阀
广式法兰球阀
法兰放料球阀
锻钢硬密封球阀
三片式对焊球阀
三片式法兰球阀
三片式球阀
二片式球阀
一片式球阀
对夹式薄型球阀
电动三通球阀
保温缩径球阀
超薄型对夹保温球阀
对夹式保温球阀
气动固定球阀
蜗轮浮动法兰球阀
螺纹不锈钢三通球阀
不锈钢整体高温球阀
气动浮动不锈钢球阀
电动硬密封V型调节球阀
电动固定球阀
锻钢固定球阀
Q944F/Q945F电动三通球阀概述:
Q944F/Q945F电动三通球阀是由角行程电动执行机构和三通球阀组成,是一种旋转类电动切断华体会体育-华体会(中国)-hth.com 门。电动三通球阀有L型和T型两种结构形式,采用控制阀芯旋转角度,改变阀芯孔道与管道口的连接状态,可实现对三条支管不同的组合控制。两阀座密封电动三通球阀具有结构紧凑、外型美观、密封性能好等特点。能实现对管道中介质流向的切换。也能使相互垂直的两个通道连通或关闭。四阀座密封三通球阀具有造型美观、结构紧凑合理。不仅可实现介质流向的切换,也可使三个通道相互连通,现时也可关闭任一通道,使另外两个通道连通,灵活控制管路中介质的合流或分流。具有关闭严密,结构紧凑,重量轻,维修方便等优点。三通球阀流通能力大,适用于密封要求较严格的场合。可控制气体、液体、蒸汽,更适用于控制高粘度,纤维颗粒状的流体。
Q944F/Q945F电动三通球阀原理:

L型电动三通球阀适用于介质流向的切换,能使相互垂直的两个通道连通:T型电动三通球阀适用于介质的分流、合流或流向 切换,T型孔道可以使三个通道互相连通或使其中两个通道连通,电动三通球阀一般采用三个阀座结构,亦可根据用户要求采用四阀座结构。
Q944F/Q945F电动三通球阀技术参数:
| 公称通径DN(mm) | 15 | 20 | 25 | 32 | 40 | 50 | 65 | 80 | 100 | 125 | 150 | 200 |
| 允许压差(MPa) | ≤公称压力 | |||||||||||
| 动作范围 | 0~90° | |||||||||||
| 阀体形式 | 二段分体式铸造阀体 | |||||||||||
| 阀盖形式 | 整体式 | |||||||||||
| 压盖型式 | 螺栓压紧式 | |||||||||||
| 密封填料 | V型聚四氟乙烯填料、含浸聚四氟乙烯石棉填料、石棉纺织填料、石墨填料 | |||||||||||
| 连接方式 | 法兰式、螺纹式(适用于1/2"~2") | |||||||||||
| 阀芯形式 | 三通球型阀芯 | |||||||||||
| 流量特性 | 近似快开特性 | |||||||||||
| 泄露量Q | 软密封:零泄露;金属密封:按GB/T4213-92,小于额定KV0.01% | |||||||||||
| 基本误差 | ±1% | |||||||||||
| 回差 | ±1% | |||||||||||
| 死区 | ≤1% | |||||||||||
| 配置执行器型号 | CHR、3810R、DZW、HQ、PSQ电动执行机构 | |||||||||||
| 控制方式 | 开关到位灯(开关两位控制)、无源触点信号、1/5K电位计、智能调节(4~20mA模拟量信号控制) | |||||||||||
Q944F/Q945F电动三通球阀性能参数:
| 电源电压 | AC220/380V,50/60Hz |
| 输出力矩 | 50N·M~2000N·M |
| 动作范围 | 0~90° 0~360° |
| 动作时间 | 15秒/30秒/60秒 |
| 保护装置 | 过热保护 |
| 环境温度 | -30°~60° |
| 手动操作 | 同附带手柄操作 |
| 限位 | 电气、机械二重限位 |
| 防护等级 | 相当于IP-65 |
| 防爆等级 | ExdII BT4;特殊要求可定制ExdII BT6 |
| 位置测量 | 可选装开关或电位计 |
| 驱动电机 | 8W/E |
| 进线接口 | PE1/2〞进线线锁 |
Q944F/Q945F电动三通球阀零件材质 :
| 三通球阀通径mm | DN15-DN300 | |||
| 材料代号 | C(WCB) | P(304) | R(316) | |
| 主要零件 | 阀体 | WCB | ZG1Cr18Ni9Ti | ZG1Cr18Ni12Mo2Ti |
| 球体 | 2Cr13、(304) | 1Cr18Ni9Ti | 1Cr18Ni12MoTi | |
| 阀杆 | 2Cr13 | 1Cr18Ni9Ti | 1Cr18Ni12MoTi | |
| 阀座密封 | 增强聚四氟乙烯、对位聚苯、硬质合金钢密封 | |||
| 填料 | 聚四氟乙烯、柔性石墨 | |||
| 适用工况 | 适用介质 | 蒸汽、水、油品 | 硝酸碱类腐蚀性介质 | 醋酸类腐蚀性介质 |
| 适用温度 | 聚四氟乙烯≤180℃,对位聚苯≤300℃,金属密封≤425℃ | |||
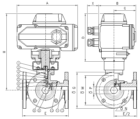
Q944F/Q945F电动三通球阀外形尺寸

| 公称通径DN(mm) | 15 | 20 | 25 | 32 | 40 | 50 | 65 | 80 | 100 | 125 | 150 | 200 | |
| L | 150 | 150 | 180 | 200 | 220 | 240 | 260 | 280 | 320 | 380 | 440 | 550 | |
| L1 | 75 | 75 | 90 | 100 | 110 | 120 | 130 | 140 | 160 | 190 | 220 | 275 | |
| H | 配HR | 275 | 280 | 287 | 312 | 312 | 325 | 335 | 365 | 400 | 420 | 440 | 470 |
| 配HQ | 360 | 370 | 380 | 392 | 392 | 415 | 425 | 445 | 490 | 510 | 530 | 560 | |
| W | 157 | 157 | 157 | 157 | 208 | 208 | 256 | 256 | 256 | 256 | 256 | 256 | |
| PN1.6MPa法兰连接尺寸 | |||||||||||||
| D | 95 | 105 | 115 | 140 | 150 | 165 | 185 | 200 | 220 | 250 | 285 | 340 | |
| D1 | 65 | 75 | 85 | 100 | 110 | 125 | 145 | 160 | 180 | 210 | 240 | 295 | |
| D2 | 46 | 56 | 65 | 76 | 84 | 99 | 118 | 132 | 156 | 184 | 211 | 266 | |
| n-φd | 4-14 | 4-14 | 4-14 | 4-18 | 4-18 | 4-18 | 4-18 | 8-18 | 8-18 | 8-18 | 8-22 | 12-22 | |
| PN2.5MPa法兰连接尺寸 | |||||||||||||
| D | 95 | 105 | 115 | 140 | 150 | 165 | 185 | 200 | 235 | 270 | 300 | 360 | |
| D1 | 65 | 75 | 85 | 100 | 110 | 125 | 145 | 160 | 190 | 220 | 250 | 310 | |
| D2 | 46 | 56 | 65 | 76 | 84 | 99 | 118 | 132 | 156 | 184 | 211 | 274 | |
| n-φd | 4-14 | 4-14 | 4-14 | 4-18 | 4-18 | 4-18 | 8-18 | 8-18 | 8-22 | 8-26 | 8-26 | 12-26 | |
| PN4.0MPa法兰连接尺寸 | |||||||||||||
| D | 95 | 105 | 115 | 140 | 150 | 165 | 185 | 200 | 235 | 270 | 300 | 375 | |
| D1 | 65 | 75 | 85 | 100 | 110 | 125 | 145 | 160 | 190 | 220 | 250 | 320 | |
| D6 | 40 | 51 | 58 | 66 | 76 | 88 | 110 | 121 | 150 | 176 | 204 | 260 | |
| n-φd | 4-14 | 4-14 | 4-14 | 4-18 | 4-18 | 4-18 | 8-18 | 8-18 | 8-22 | 8-26 | 8-26 | 12-30 | |
| PN6.4MPa法兰连接尺寸 | |||||||||||||
| D | 105 | 130 | 140 | 155 | 170 | 180 | 205 | 215 | 250 | 295 | 345 | 415 | |
| D1 | 75 | 90 | 100 | 110 | 125 | 135 | 160 | 170 | 200 | 240 | 280 | 345 | |
| D6 | 40 | 51 | 58 | 66 | 76 | 88 | 110 | 121 | 150 | 176 | 204 | 260 | |
| n-φd | 4-14 | 4-18 | 4-18 | 4-22 | 4-22 | 4-22 | 8-22 | 8-22 | 8-26 | 8-30 | 8-33 | 12-36 | |
Q944F/Q945F电动三通球阀订货须知:
订货时若未确定型号,请尽量提供以下参数由我们技术人员为您选型。
1.电动三通球阀型号名称。
2.电动三通球阀口径DN、压力PN。
3.电动三通球阀零件材质。
4.电动三通球阀使用介质及温度。
5.电动三通球阀其它技术要求。
如已选定电动三通球阀型号,请按照型号直接向我公司销售部门来电订购。