相关产品:
衬胶止回阀产品详情:
止回阀是一种依靠介质本身的流动而自动启闭阀瓣用来阻止介质逆向流动的自动阀门。
本厂衬里止回阀基本类型有四种:HG41型法兰连接直通升降式止回阀和HG42型升降立式止回阀、HG44立式止回阀、HG76旋启式止回阀。
衬胶止回阀设计规范:
遵循GB/T 12235,GB/T 12236,API 6D标准
衬胶止回阀主要零部件材料表:
| 序号 | 零件名称 | 灰铸铁 | 铸钢 | 不锈耐酸铸钢 | 超低碳不锈耐酸铸钢 | ||
| Z | C | P | R | PL | RL | ||
| 1 | 阀体/阀盖 | HT250 | WCB | CF8 | CF8M | CF3 | CF3M |
| 2 | 阀瓣/阀杆 | 35 | 1Cr13 | 1Cr18Ni9 | 1Cr18Ni12Mo2Ti | 00Cr18Ni10 | 00Cr17Ni14Mo2 |
| 3 | 衬里/阀座 | PCTEF(F3),FEP(F46),PFA(可溶F4),PP,PO | |||||
| 4 | 紧固螺栓 | WCB | 1Cr17Ni2 | 1Cr18Ni9Ti | |||
| 5 | 螺母 | PTFE(F4) | CF8 | CF8 | |||
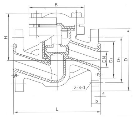
衬胶止回阀结构示意图:

衬胶止回阀主要外形和连接尺寸:
| 公称通经 | L | D | D1 | D2 | f | b | Z-φd | D | D1 | D2 | f | b | Z-φd | |
| DN(mm) | NPS(inch) | PN1.0MPa | PN1.6MPa | |||||||||||
| 15 | 1/2 | 130 | 95 | 65 | 45 | 2 | 14 | 4-φ14 | 130 | 95 | 65 | 2 | 14 | 4-φ14 |
| 20 | 3/4 | 150 | 105 | 75 | 55 | 2 | 16 | 4-φ14 | 150 | 105 | 75 | 2 | 16 | 4-φ14 |
| 25 | 1 | 160 | 115 | 85 | 65 | 2 | 16 | 4-φ14 | 160 | 115 | 85 | 2 | 16 | 4-φ14 |
| 32 | 5/4 | 180 | 135 | 100 | 78 | 2 | 18 | 4-φ18 | 180 | 135 | 100 | 2 | 18 | 4-φ18 |
| 40 | 3/2 | 200 | 145 | 110 | 85 | 3 | 18 | 4-φ18 | 200 | 145 | 110 | 3 | 18 | 4-φ18 |
| 50 | 2 | 230 | 160 | 125 | 100 | 3 | 20 | 4-φ18 | 230 | 160 | 125 | 3 | 20 | 4-φ18 |
| 65 | 5/2 | 290 | 180 | 145 | 120 | 3 | 20 | 4-φ18 | 290 | 180 | 145 | 3 | 20 | 4-φ18 |
| 80 | 3 | 310 | 195 | 160 | 135 | 3 | 22 | 4-φ18 | 310 | 195 | 160 | 3 | 22 | 4-φ18 |
| 100 | 4 | 350 | 215 | 180 | 155 | 3 | 22 | 8-φ18 | 350 | 215 | 180 | 3 | 24 | 8-φ18 |
| 125 | 5 | 400 | 245 | 210 | 185 | 3 | 24 | 8-φ18 | 400 | 245 | 210 | 3 | 26 | 8-φ18 |
| 150 | 6 | 480 | 280 | 240 | 210 | 3 | 24 | 8-φ23 | 480 | 280 | 240 | 3 | 28 | 8-φ23 |
| 200 | 8 | 600 | 335 | 295 | 265 | 3 | 26 | 8-φ23 | 495 | 335 | 295 | 3 | 30 | 12-φ23 |
| 250 | 10 | 622 | 390 | 350 | 320 | 3 | 28 | 12-φ23 | 622 | 405 | 355 | 3 | 32 | 12-φ25 |
| 300 | 12 | 698 | 440 | 400 | 368 | 4 | 28 | 12-φ23 | 698 | 460 | 410 | 4 | 34 | 12-φ25 |
| 350 | 14 | 787 | 500 | 460 | 428 | 4 | 30 | 16-φ23 | 787 | 520 | 470 | 4 | 38 | 16-φ25 |
| 400 | 16 | 914 | 565 | 515 | 482 | 4 | 32 | 16-φ25 | 914 | 580 | 525 | 4 | 40 | 16-φ30 |
| 450 | 18 | 978 | 615 | 565 | 532 | 4 | 32 | 20-φ25 | ||||||
| 500 | 20 | 978 | 670 | 620 | 585 | 4 | 34 | 20-φ25 |
|
|||||