相关产品:
H41W不锈钢升降式止回阀概述:
升降式止回阀适用于中、小口径管路的各种压力、温度和介质下控制接通或截断管路介质的启闭装置;依靠阀瓣自重和流体压差实现自动阻止流体倒流。
H41W不锈钢升降式止回阀性能规范:
| 阀体材料 | 公称压力 (MPa) | 工作温度 (℃) | 适用介质 | |
| 碳 钢 |
1.6-6.4 |
≤425 |
水、油品、蒸汽 | |
| 10.0、16.0 | ≤450 | / | ||
| 不锈钢 |
P |
1.6-16.0 | ≤200 |
硝酸类 |
| R | / | / | 醋酸类 | |
| 铬镍钛 |
PI |
1.6-6.4 |
≤550 |
石油、石油产品 |
| 铬钼钢 | 1.6-16.0 | ≤550 | 油 | |
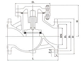
H41W不锈钢升降式止回阀结构尺寸图:

H41W不锈钢升降式止回阀主要外形尺寸:
| 公称压力PN | 公称通径DN | 主要连接尺寸 | 外形尺寸 | ||||||||
| L | D | D 1 | D 2 | D 6 | b | f | f 1 | Z-φd | H | ||
| 1.6MPa | 40 | 200 | 145 | 110 | 85 | - | 16 | 2 | - | 4-18 | 95 |
| 50 | 230 | 160 | 125 | 100 | - | 16 | 2 | - | 4-18 | 105 | |
| 65 | 290 | 180 | 140 | 120 | - | 18 | 2 | - | 4-18 | 120 | |
| 80 | 310 | 195 | 165 | 135 | - | 20 | 3 | - | 8-18 | 130 | |
| 100 | 350 | 215 | 180 | 155 | - | 20 | 3 | - | 8-18 | 140 | |
| 125 | 400 | 245 | 210 | 185 | - | 22 | 3 | - | 8-12 | 155 | |
| 150 | 480 | 280 | 240 | 210 | - | 24 | 3 | - | 8-23 | 180 | |
| 200 | 600 | 335 | 295 | 265 | - | 26 | 3 | - | 12-23 | 215 | |