相关产品:
消声止回阀产品概述
消声止回阀适用于给排水管道,阀瓣采用进口两端中心轴导向,启闭灵活,可水平安装或垂直安装。阀瓣采用弹簧加载,其快速关闭能有效的消除水锤,密封性能好,关闭无噪声。它具有体积小、重量轻、流体阻力小,耐疲劳、寿命长等优点。
消声止回阀主要技术参数
公称压力:1.0~1.6MPa
公称通经:40~600mm
适用介质:水及弱腐蚀性流体
适用温度:0~80℃
法兰标准:GB/T 17241.6 GB/T 9113
试验标准:GB/T 13927 AP 1598
消声止回阀主要零部件材料
| 型号 | 阀体 | 密封圈 | 弹簧 |
| H41X-10 | 铸铁或不锈钢 | 丁腈橡胶(NBR) | 不锈钢ICr18Ni9Ti |
| H41X-16 | 铸钢或不锈钢 | 丁腈橡胶(NBR) | 不锈钢ICr18Ni9Ti |
消声止回阀工作原理
消声止回阀主要由阀体、阀瓣、弹簧、出口并帽等构造而成,其工作原理如下: 当没有介质流过阀门时,阀瓣在弹簧预紧力的作用下处于关闭状态。当有介质流过阀门,介质压力能克服弹簧预紧时,阀瓣开启;当介质逆流时,逆流介质压力与弹簧预紧力的总和使得阀瓣关闭,防止介质逆流。

消声止回阀主要性能规范
| 型号 | 公称压力 | 壳体试验压力 | 密封试验压力 | 适用介质 | 工作温度 |
| H41X-1O | 1.OMPa | 1.5MPa | 1.1MPa | 水及弱腐蚀性流体 | O~80℃ |
| H41X-16 | 1.6MPa | 2.4MPa | 1.76MPa | 水及弱腐蚀性流体 | O~80℃ |
消声止回阀主要零件材料
| 型号 | 阀 体 | 密封圈 | 弹 簧 |
| H41X-1O | 铸铁或不锈钢 | 丁腈橡胶(NBR) | 不锈钢丝Icrl8Ni9Ti |
| H41X-16 | 铸钢或不锈钢 | 丁腈橡胶(NBR) | 不锈钢丝Icrl8Ni9Ti |
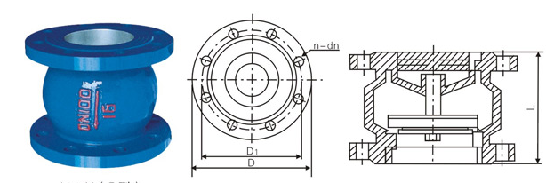
消声止回阀外形、连接、结构尺寸
| 公称压力PN(mml | 公称通径 | 尺 寸(mm) | ||||
| DN(mml | L | D | K | b | Z-φd | |
| 1.O | 40 | 112 | 145 | 110 | 18 | 4-18 |
| 50 | 120 | 160 | 125 | 20 | 4-18 | |
| 65 | 130 | 180 | 145 | 20 | 4-18 | |
| 80 | 150 | 195 | 160 | 22 | 8-18 | |
| 100 | 165 | 215 | 180 | 24 | 8-18 | |
| 125 | 190 | 245 | 210 | 26 | 8-18 | |
| 150 | 210 | 280 | 240 | 26 | 8-22 | |
| 200 | 255 | 335 | 295 | 28 | 8-22 | |
| 250 | 310 | 390 | 350 | 28 | 12-22 | |
| 300 | 320 | 440 | 400 | 28 | 12-22 | |
| 350 | 380 | 500 | 460 | 30 | 16-22 | |
| 400 | 405 | 565 | 515 | 32 | 16-26 | |
| 450 | 430 | 615 | 565 | 32 | 20-26 | |
| 500 | 450 | 670 | 620 | 34 | 20-26 | |
| 600 | 510 | 780 | 725 | 36 | 20-30 | |
| 1.6 | 40 | 112 | 145 | 11O | 18 | 4-18 |
| 50 | 120 | 160 | 125 | 20 | 4-18 | |
| 65 | 130 | 180 | 145 | 20 | 4-18 | |
| 80 | 150 | 195 | 160 | 22 | 8-18 | |
| 100 | 165 | 215 | 180 | 24 | 8-18 | |
| 125 | 190 | 245 | 210 | 26 | 8-18 | |
| 150 | 210 | 280 | 240 | 26 | 8-22 | |
| 200 | 255 | 335 | 295 | 30 | 12-22 | |
| 250 | 310 | 405 | 355 | 32 | 12-26 | |
| 300 | 320 | 460 | 410 | 32 | 12-26 | |
| 350 | 380 | 520 | 470 | 36 | 16-26 | |
| 400 | 405 | 580 | 525 | 38 | 16-30 | |
| 450 | 430 | 640 | 585 | 40 | 20-30 | |
| 500 | 450 | 715 | 650 | 42 | 20-33 | |
| 600 | 510 | 840 | 770 | 48 | 20-36 | |