电动调节蝶阀
产品型号:ZAJW
发布时间:2009-11-25
ZAJW电动调节蝶阀由DKJ角行程电动执行机构和蝶阀组成,它与电动单元组合仪表配合使用。具有结构简单、口径大、重量轻、操作方便等优点。广泛应用于冶金、电站石油、化工等部门。适用介质,煤气、含尘气体、烟道气。
下一个产品:蜗轮法兰硬密封蝶阀
上一个产品:法兰式硬密封保温蝶阀
相关产品:
ZAJW型电动调节蝶阀概述
ZAJW型电动调节蝶阀由DKJ角行程电动执行机构和蝶阀组成,电动执行机构分电子式电动型(DZ型)、电动型(DP型),DZ型直接接收调节仪表或计算机控制信号,DP型需与伺服放大器配套使用,方能实现自动调节功能,蝶阀部件具有流通能力大,压降损失小,开启灵活、结构紧凑等特点,该类产品可广泛应用于冶金、电力、化工等工业部门作流体压力、流量、放散等使用。非密封型电动空气调节蝶阀,电动空气调节蝶阀,非密封型蝶阀。ZAJW型电动调节蝶阀具有结构简单、口径大、重量轻、操作方便等优点。广泛应用于冶金、电站石油、化工等部门。本公司具有雄厚技术实力和丰富的阀门制造经验,拥有一支追求卓越,不断创新的优秀团队,专心致力于工业阀门的研发与制造。公司加工设备先进,检测手段齐全,具有严格的品质管理和质量保证体系,所有产品都建有可追溯性,完整的质量档案,为完善的售后服务提供坚实的基础。
ZAJW型电动调节蝶阀主要用途
各种工业自动化生产的管道流量、压力、温度的控制。例如:电力、冶金、石化、环保、能源管理、消防系统等。
ZAJW型电动调节蝶阀规格与技术参数
| 公称通径mm | 50 | 80 | 100 | 125 | 150 | 200 | 250 | 300 | 350 | 400 | 450 | 500 | 600 | 700 | 800 | 1000 | 1200 | 1400 | 1600 | 1800 | 1900 | 2000 |
| 额定流量系数kv | 85 | 225 | 340 | 500 | 770 | 1360 | 2130 | 3060 | 4160 | 5450 | 6900 | 8500 | 12200 | 16600 | 21700 | 34000 | 49000 | 66600 | 87000 | 110000 | 123000 | 136000 |
|
配用电动执 行机构型号 |
DKJ | |||||||||||||||||||||
| 公称压力(MPa) | 0.6 | |||||||||||||||||||||
| 介质温度℃ | 常温-20℃~+200(铸铁),-40~+450(铸钢),中温-40~+450(铸不锈钢) | |||||||||||||||||||||
| 转角范围 | 平行闸板0~70 0 ,倾斜阀板0~60 0 | |||||||||||||||||||||
| 流量特性 | 近似百分比 | |||||||||||||||||||||
| 接管法兰 | 按JB78-59中对夹式法兰连接 | |||||||||||||||||||||
| 动作时间 | 25 | |||||||||||||||||||||
| 阀体材质 | Ht200,35,ZG230-450,1Cr18Ni9,ZG1Cr18Ni9Ti,ZG1Cr18Ni12Mo2Ti | |||||||||||||||||||||
ZAJW电动调节蝶阀执行机构主要技术参数
| 型号 | DJK-110 | DJK-210 | DJK-310 | DJK-410 | DJK-510 |
| 输入信号 | DC0~10mA,DC4-20mA | ||||
| 输入电阻Ω | 200 | ||||
| 输出转角 0 | 0~90 | ||||
| 输出力矩N.m | 40 | 100 | 250 | 600 | 1600 |
| 电源 | 220V,50Hz | ||||
ZAJW电动调节蝶阀主要技术性能指标
| 项目 | 指标值 |
| 基本误差% | ±8.0 |
| 回差% | 6.0 |
| 死区% | 5.0 |
| 额定行程偏差% | 4.0 |
| 允许泄漏量L/H | 平行阀板:2×10 -2 ×额定容量,倾斜滑板:5×10 -3 ×阀的额定流量 |
ZAJW电动调节蝶阀允许压差与执行机构选型
|
公 称 通 径 mm |
配用执行机构 | |||||||||||
| DJK-110 | DJK-210 | DJK-310 | DJK-410 | DJK-510 | DJK-610 | |||||||
| 00 | 700 | 00 | 700 | 00 | 700 | 00 | 700 | 00 | 700 | 00 | 700 | |
| 50 | 28.1 | 1.948 | ||||||||||
| 80 | 11.0 | 0.488 | ||||||||||
| 100 | 7.127 | 0.252 | ||||||||||
| 125 | 3.19 | 0.128 | 8.08 | 0.325 | ||||||||
| 150 | 2.21 | 0.075 | 5.60 | 0.189 | ||||||||
| 200 | 0.983 | 0.031 | 2.512 | 0.079 | ||||||||
| 250 | 4.05 | 0.103 | ||||||||||
| 300 | 2.33 | 0.059 | ||||||||||
| 350 | 1.75 | 0.037 | ||||||||||
| 400 | 2.648 | 0.060 | ||||||||||
| 450 | 2.120 | 0.042 | ||||||||||
| 500 | 1.718 | 0.031 | ||||||||||
| 600 | 0.927 | 0.0178 | ||||||||||
| 700 | 0.682 | 0.0098 | ||||||||||
| 800 | 1.14 | 0.020 | ||||||||||
| 1000 | 0.619 | 0.0103 | ||||||||||
| 1200 | 0.504 | 0.016 | ||||||||||
| 1400 | 0.371 | 0.0106 | ||||||||||
| 1600 | 0.251 | 0.0076 | ||||||||||
| 1800 | 0.177 | 0.005 | ||||||||||
| 1900 | 0.151 | 0.0042 | ||||||||||
| 2000 | 0.129 | 0.0036 | ||||||||||
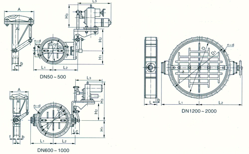
ZAJW电动调节蝶阀结构尺寸图

ZAJW电动调节蝶阀外形尺寸
|
公称 通径 |
D | D 1 | A | e | b | L | L 1 | L 2 | L 3 | H 1 | H 2 | H 3 | n-d | 配执行机构 |
| 50 | 110 | 245 | 30 | 60 | 92 | 139 | 357 | 55 | 299 | 270 | 4-14 | DKJ-210 | ||
| 80 | 125 | 150 | 245 | 30 | 60 | 92 | 139 | 357 | 62.5 | 299 | 270 | 4-18 | DKJ-210 | |
| 100 | 145 | 175 | 245 | 30 | 12S | 60 | 102 | 149 | 357 | 72.5 | 299 | 270 | 4-18 | DKJ-210 |
| 125 | 175 | 200 | 245 | 30 | 12 | 60 | 117 | 168 | 357 | 87.5 | 299 | 270 | 8-18 | DKJ-210 |
| 150 | 200 | 225 | 245 | 30 | 12 | 60 | 130 | 181 | 357 | 100 | 299 | 270 | 8-18 | DKJ-210 |
| 200 | 255 | 280 | 245 | 30 | 12 | 70 | 172 | 221 | 357 | 127.5 | 299 | 270 | 8-18 | DKJ-210 |
| 250 | 310 | 335 | 300 | 36 | 14 | 70 | 197 | 258 | 507 | 155 | 340 | 298 | 12-18 | DKJ-310 |
| 300 | 362 | 395 | 300 | 36 | 14 | 80 | 227 | 283 | 507 | 181 | 340 | 298 | 12-23 | DKJ-310 |
| 350 | 412 | 445 | 300 | 36 | 14 | 80 | 252 | 290 | 507 | 206 | 340 | 298 | 12-23 | DKJ-310 |
| 40 | 462 | 495 | 365 | 45 | 16 | 100 | 296 | 348 | 529 | 231 | 400 | 381 | 16-23 | DKJ-410 |
| 450 | 518 | 550 | 365 | 45 | 16 | 100 | 321 | 371 | 529 | 259 | 400 | 381 | 16-23 | DKJ-410 |
| 500 | 558 | 600 | 365 | 45 | 16 | 100 | 346 | 396 | 529 | 284 | 400 | 381 | 16-23 | DKJ-410 |
| 600 | 755 | 706 | 365 | 45 | 30 | 150 | 480 | 418 | 530 | 377.5 | 863 | 482 | 20-25 | DKJ-410 |
| 700 | 860 | 810 | 365 | 45 | 32 | 150 | 530 | 531 | 530 | 430 | 863 | 482 | 24-25 | DKJ-410 |
| 800 | 975 | 920 | 420 | 51 | 34 | 200 | 595 | 586 | 681 | 487.5 | 917 | 480 | 24-30 | DKJ-410 |
| 1000 | 1175 | 1120 | 420 | 51 | 36 | 200 | 735 | 721 | 681 | 587.5 | 917 | 480 | 28-30 | DKJ-510 |
| 1200 | 1400 | 1340 | 60 | 45 | 250 | 906 | 980 | 32-34 | DKJ-510 | |||||
| 1400 | 1575 | 1520 | 60 | 25 | 300 | 965 | 1012 | 36-30 | DKJ-610 | |||||
| 1600 | 1785 | 1730 | 60 | 25 | 350 | 1065 | 1112 | 40-30 | DKJ-610 | |||||
| 1800 | DKJ-610 | |||||||||||||
| 1900 | 2100 | 2020 | 60 | 25 | 350 | 1217 | 1315 | 44-30 | DKJ-610 | |||||
| 2000 | 60 | DKJ-610 |