华体会体育

华体会体育-华体会(中国)-hth.com 是一家专业生产电动蝶阀,法兰蝶阀,伸缩蝶阀等阀门产品厂家
当前位置: 华体会体育 > 蝶阀 > 电动蝶阀 > 电动法兰伸缩蝶阀
电动法兰伸缩蝶阀
  • 电动法兰伸缩蝶阀
  • 电动法兰伸缩蝶阀
  • 电动法兰伸缩蝶阀
  • 电动法兰伸缩蝶阀

电动法兰伸缩蝶阀

产品型号:SD943H

发布时间:2008-5-20

电动伸缩弹性硬密封适用蝶阀于温度≤80℃,公称压力≤1.6MPa的食品、医药、化工、石油、电力、轻纺、造纸等给排水、气体管道上作调节流量和截流介质的作用,具有补偿管道热胀冷缩的功能。
分享到:

电动法兰伸缩蝶阀用途及特点:

电动法兰式伸缩蝶阀适用于温度≤80℃,公称压力≤1.6MPa的食品、医药、化工、石油、电力、轻纺、造纸等给排水、气体管道上作调节流量和截流介质的作用,具有补偿管道热胀冷缩的功能。其主要特点为:

1、设计新颖,合理,结构独特,重量轻,操作方便,启闭迅速;

2、伸缩蝶阀除了能作调节和截流作用,补偿管道温差所产生的热胀冷缩功能外,还能为安装更换、维修提供方便;

3、密封部位可调节更换,密封性能可靠等特点。

电动法兰伸缩蝶阀采用标准:

设计标准:GB/T12238-1989

法兰连接尺寸:GB/T9113.1-2000; GB/T9113.2-2000; GB/T9115.1-2000; GB/T9115.2-2000

压力试验:GB/T 13927-1992; JB/T 9092-1999

电动法兰伸缩蝶阀主要技术参数:

公称通径 DN 50~2000
公称压力 PN 0.6 1.0 1.6
试验压力 强度实验 0.9 1.5 2.4
密封实验 0.66 1.1 1.76
气密封实验 0.6 0.6 0.6
使用温度 ≤80℃
适应介质 空气、水、蒸汽、煤气、油品等
驱动形式 手动、蜗杆蜗轮传动、气传动、电传动

电动法兰伸缩蝶阀主要零件材质:

零件名称 材料
阀体 铸铁、铸钢、不锈钢铬、钼钢、合金钢
蝶板 铸钢、合金钢、不锈钢、铬钼钢
密封圈 橡胶、聚四氟、聚内脂、不锈钢
阀杆 2Cr13、不锈钢、铬钼钢
伸缩管 铸铁、铸钢、不锈钢、铬钼钢
填料 柔性石墨

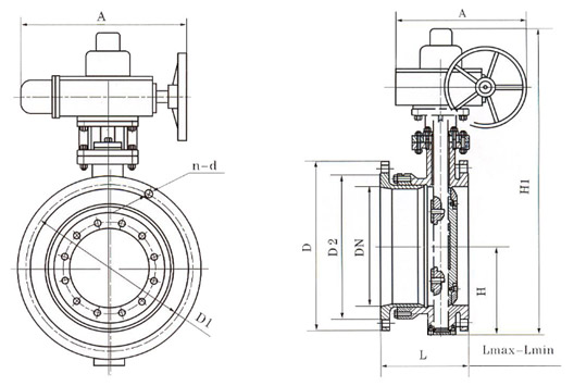
电动法兰伸缩蝶阀结构示意图:

电动法兰伸缩蝶阀连接尺寸:

公称
通径
外形尺寸(参考值) 法兰尺寸和螺栓尺寸(标准值) 电动
装置
型号
(参考)
H H1 设计
*大
长度L
设计
*小
长度L
设计
长度L
A B 0.6MPa 1.0MPa 1.6MPa


D D1 D2 n-d D D1 D2 n-d D D1 D2 n-d
50 2 80 440 164 138 151 250 255 140 110 88 4-14 165 125 99 4-18 165 125 99 4-18 QB
10-1
65 21/2 95 445 190 154 172 250 255 160 130 108 4-14 185 145 118 4-18 185 145 118 4-18 QB
10-1
80 3 98 476 195 163 177 250 255 190 150 124 4-18 200 160 132 8-18 200 160 132 8-18 QB
10-1
100 4 114 504 227 184 206 250 255 210 170 144 4-18 220 180 156 8-18 220 180 156 8-18 QB
10-1
125 5 128 550 254 195 215 250 255 240 200 176 8-18 250 210 184 8-18 250 210 184 8-18 QB
20-1
150 6 139 652 240 201 225 300 315 265 225 199 8-18 285 240 211 8-22 285 240 211 8-22 QB
20-1
200 8 174 732 265 215 245 300 315 320 280 254 8-18 340 295 266 8-22 340 294 266 12-22 QB
60-1
250 10 215 823 295 235 265 300 315 375 335 309 12-18 395 350 319 12-22 405 355 319 12-26 QB
60-1
300 12 245 877 308 254 282 300 315 440 395 363 12-22 445 400 370 12-22 460 410 370 12-26 QB
120-1
350 14 270 932 325 271 300 300 315 490 445 413 12-22 505 460 429 16-22 520 470 429 16-26 QB
120-1
400 16 305 1047 345 283 314 300 315 540 495 463 16-22 565 515 480 16-26 580 525 480 16-30 QB
250-1
450 18 325 1092 370 314 340 575 714 595 550 518 16-22 615 565 530 20-26 640 585 548 20-30 QB
250-1
500 20 360 1182 377 316 346 575 714 645 600 568 20-22 670 620 582 20-26 715 650 609 20-33 QB
250-1
600 24 445 1380 446 388 417 656 810 755 705 667 20-26 780 725 682 20-30 840 770 720 20-36 QB
500-0.5
700 28 505 1502 445 395 425 656 810 860 810 772 24-26 895 840 794 24-30 910 840 794 24-36 QB
500-0.5
800 32 560 1545 479 425 455 656 810 975 920 878 24-30 1015 950 901 24-33 1025 950 901 24-39 ZA
60
900 36 630 1710 515 455 485 785 863 1075 1020 978 24-30 1115 1050 1001 28-33 1125 1050 1001 28-39 ZA
60
1000 40 680 1805 525 465 495 785 863 1175 1120 1078 28-30 1230 1160 1112 28-36 1255 1170 1112 28-42 ZA
60
1200 48 795 2096 574 512 542 785 863 1405 1340 1295 32-33 1455 1380 1328 32-39 1485 1390 1328 32-48 ZA
120
1400 56 900 2296 599 547 572 790 1338 1630 1560 1510 36-36 1675 1530 1530 36-42 1685 1590 1530 36-48 ZA
120
1600 64 1100 2720 640 589 615 868 1476 1830 1760 1710 40-36 1915 1820 1750 40-48 1930 1820 1750 40-56 ZA
240
1800 72 1124 2830 725 670 659 868 1476 2045 1970 1718 44-39 2115 2020 1950 44-48 2130 2020 1950 44-56 ZA
240
2000 80 1290 3120 764 680 722 965 1600 2265 2180 2125 48-32 2325 2230 2150 48-48 2345 2230 2150 48-62 ZA
240

 

华体会体育-华体会(中国)-hth.com 版权所有 浙ICP备09016411号-16
公司地址:浙江省永嘉县瓯北镇浦西工业区
阀门销售电话:0577-67987230