相关产品:
X13T二通内螺纹铜芯旋塞阀主要性能参数
| 型号 |
公称压力 PN(MPa) |
试验压力PN(MPa) | 适用介质 | 工作温度(℃) | |
| 壳体 | 密封 | ||||
| X13T-1.0 | 1.0 | 1.5 | 1.1 | 水、蒸汽、油品 | ≤100 |
X13T二通内螺纹铜芯旋塞阀主要零件材料
| 零件名称 | 阀体 | 塞子 | 填料压盖 | 填料 |
| X13T-1.0 | 铸铁 | 铸铜 | 铸铁 |
油浸石棉盘根 柔性石墨 |

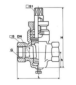
X13T二通内螺纹铜芯旋塞阀主要外形尺寸
|
公称通径 DN(mm) |
管螺纹 G |
尺寸(mm) | ||||
| L | □S | □S1 | h | H | ||
| 15 | 1/2 | 85 | 30 | 12 | 26 | 99 |
| 20 | 3/4 | 90 | 36 | 16 | 34 | 124 |
| 25 | 1 | 110 | 46 | 18 | 38 | 133 |
| 32 | 11/4 | 130 | 55 | 18 | 45 | 152 |
| 40 | 11/2 | 150 | 60 | 26 | 55 | 212 |
| 50 | 2 | 170 | 75 | 28 | 74 | 260 |
| 65 | 21/2 | 220 | 90 | 32 | 82 | 295 |
| 80 | 3 | 250 | 105 | 36 | 125 | 327 |
| 100 | 4 | 300 | 140 | 46 | 135 | 425 |