相关产品:
X44W三通全铜旋塞阀主要性能参数:
| 型号 |
公称压力 PN(MPa) |
试验压力PN(MPa) | 适用介质 | 工作温度(℃) | |
| 壳体 | 密封 | ||||
| X44W-1.0T | 1.0 | 1.5 | 1.1 | 水、蒸气、油品 | ≤100 |
X44W三通全铜旋塞阀主要零件材料:
| 零件名称 | 阀体 | 塞子 | 填料压盖 | 填料 |
| X44W-1.0T | 铸铜 | 铸铜 | 铸铜 | 油浸石棉盘根 |

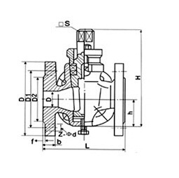
X44W三通全铜旋塞阀主要外形尺寸:
|
公称压力 PN(MPa) |
公称通径 DN(mm) |
尺寸(mm) | |||||||
| L | D | D1 | D2 | z-φd | □s | h | H | ||
| 1.0 | 25 | 145 | 115 | 85 | 56 | 4?φ14 | 17 | 38 | 133 |
| 32 | 170 | 135 | 100 | 78 | 4?φ18 | 18 | 45 | 152 | |
| 40 | 180 | 145 | 110 | 85 | 4?φ18 | 24 | 55 | 212 | |
| 50 | 200 | 160 | 125 | 100 | 4?φ18 | 28 | 74 | 260 | |
| 65 | 220 | 180 | 145 | 120 | 4?φ18 | 32 | 82 | 295 | |
| 80 | 250 | 195 | 160 | 135 | 4?φ18 | 40 | 95 | 327 | |
| 100 | 300 | 215 | 180 | 155 | 8?φ23 | 45 | 135 | 425 | |
| 125 | 350 | 245 | 210 | 185 | 8?φ23 | 54 | 154 | 482 | |
| 150 | 400 | 280 | 240 | 210 | 8?φ23 | 62 | 172 | 512 | |
| 200 | 450 | 335 | 295 | 265 | 8?φ23 | 75 | 195 | 605 | |
| 250 | 530 | 390 | 350 | 320 | 8?φ23 | 85 | 230 | 660 | |
| 300 | 580 | 440 | 400 | 368 | 8?φ23 | 100 | 263 | 760 | |