英标常闭式气动衬胶隔膜阀产品说明
设计与制造:GB12239或BS5156
结构长度:GB12221或BS5156
法兰连接尺寸:GB4216.4或BS4504
试验与检验:GB/T13927或BS5156
英标常闭式气动衬胶隔膜阀主要零件材料
阀体:铸铁、球墨铸铁、碳钢、不锈钢
阀盖:铸铁、球墨铸铁、碳钢、不锈钢
衬里:无衬里、橡胶
隔膜:橡胶
阀瓣:铸铁、碳钢
阀杆:碳钢、不锈钢
手轮:铸铁
英标常闭式气动衬胶隔膜阀测试
衬里层:电火花检测
试验与检验按BS6755标准
公称压力:PN(MPa)
阀体:PN×1.5
密封:PN×1.1
英标常闭式气动衬胶隔膜阀结构特点
隔膜阀是一种特殊形式的截止阀:
1. 弹性密封的开闭件,确保没有内漏;
2. 流线型的流道,使得压力损失小;
3. 没有填料函,因此没有外漏;
4. 阀体与盖被中间隔膜隔开,使得隔膜上方的阀盖,阀杆等零件不受介质侵蚀;
5. 隔膜可更换,维护费用低;
6. 衬里材料的多样性,可适用于各种介质,并具有强度高、耐腐蚀性能好的特点。
EG6B41J气动常闭式衬胶隔膜阀,EG6B41J-10,EG6B41J-6型号衬胶阀门是用来改变通路断面和介质流动方向,具有导流、截止、调节、节流、止回、分流或溢流等功能。阀门可用于控制水、蒸汽、油品、气体、泥浆、各种腐蚀性介质、液态金属和放射性流体等流体的流动。
英标常闭式气动衬胶隔膜阀性能规范
| 型号 |
公称压力 PN(Mpa) |
试验压力PS(Mpa) | 适用介质 | 工作温度(℃) | |
| EG6B41WJF-6 | 0.6 | 0.9 | 0.66 |
W.非腐蚀性流体 J·一般腐蚀性流体 FS。强酸碱及各种有机溶剂 (溶融碱金属元素氧除外) |
≤100 ≤85 ≤150 |
| EG6B41WJF-10 | 1.0 | 1.5 | 1.1 | ||
| EG6B41WJF-16 | 1.6 | 2.4 | 1.76 | ||
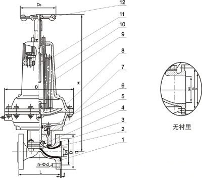
部件列表:1、阀体 2、阀体衬里 3、隔膜 4、阀瓣 5、下阀杆 6、阀盖 7、气缸 8、活塞 9、弹簧 10、气缸盖 11、上阀杆 12、手轮

英标常闭式气动衬胶隔膜阀主要外形连接尺寸及重量
| 型号 |
公称通径 DN(mm) |
尺寸(mm) | 气动装置 |
重量 (㎏) |
|||||||||||
| L | f | D1 | D | D0 | n-d | H | B |
代号 ES |
耗气量(cm3) | 气源压力(MPa) | 气源接头(in) | ||||
| J型 | W型 | ||||||||||||||
| EG6B41WJF-16 | 20 | 121 | 117 | 2 | 75 | 105 | 120 | 4-13.5 | 168 | 61 | 163.87 | 0.3 | 1/8 | 7.2 | |
| 25 | 131 | 127 | 2 | 85 | 115 | 120 | 4-13.5 | 394 | 168 | 61 | 196.65 | 0.3-0.4 | 1/8 | 8.9 | |
| 32 | 150 | 146 | 2 | 100 | 140 | 120 | 4-17.5 | 400 | 168 | 61 | 229.4 | 0.3-0.4 | 1/8 | 10.6 | |
| 40 | 163 | 159 | 2 | 110 | 150 | 165 | 4-17.5 | 485 | 260 | 62 | 1425.7 | 0.3-0.4 | 1/4 | 19.5 | |
| 50 | 194 | 190 | 2 | 125 | 165 | 165 | 4-17.5 | 635 | 318 | 63 | 2284.1 | 0.3-0.4 | 1/4 | 34.9 | |
| EG6B41WJF-10 | 65 | 220 | 216 | 2 | 145 | 185 | 165 | 4-17.5 | 650 | 318 | 63 | 3048 | 0.3-0.4 | 1/4 | 39.9 |
| 80 | 258 | 254 | 2 | 160 | 200 | 165 | 8-17.5 | 660 | 318 | 63 | 3244.7 | 0.4-0.5 | 1/4 | 51.9 | |
| 100, | 309 | 305 | 2 | 180 | 220 | 280 | 8-17.5 | 816 | 425 | 64 | 6964.5 | 0.4-0.5 | 3/8 | 93.2 | |
| 125 | 362 | 356 | 3 | 210 | 250 | 280 | 8-17.5 | 825 | 425 | 64 | 7439.7 | 0.4-0.5 | 3/8 | 105.3 | |
| 150 | 412 | 406 | 3 | 240 | 285 | 310 | 8-22 | 1013 | 549 | 65 | 14912 | 0.5 | 3/8 | 184.5 | |
| EG6B41WJF-6 | 200 | 529 | 521 | 4 | 295 | 340 | 483 | 8-22 | 1300 | 749 | 66 | 49161 | 0.5 | 1/2 | 407.4 |
注:
1、气动隔膜阀尚可附装反馈信号、限位器或定位器,以适应自近控、程控或调节流量的需要
2、气动阀门的反馈信号采用无触点传感技术
3、采用气缸活塞式
4、当气源发生故障时,可操作手轮使阀门开启