SEG41W卫生级不锈钢隔膜阀
产品型号:SEG41W
发布时间:2016-11-29 10:55:00
SEG41W卫生级不锈钢隔膜阀
下一个产品:EG11W内螺纹隔膜阀
上一个产品:英标常开式气动衬胶隔膜阀
相关产品:
SEG41W卫生级隔膜阀概述:
卫生级隔膜阀专用于控制制药、饮用食类介质的各类管路或设备上作启闭及节流用。 适用温度:≤120℃、≤150℃(按照隔膜材料) 压力等级:PN(MPa) 0.6 1.0 1.6
SEG41W卫生级隔膜阀主要性能规范
设计与制造:BS5156
结构长度:BS5156
法兰连接尺寸:BS4504、DIN2532、JIS B2212、ANSI B16.1、ISO2004
材料 阀体:不锈钢
阀盖:不锈钢
阀瓣:不锈钢
食品级隔膜:无毒橡胶
阀杆:不锈钢
手轮:铸铁、不锈钢
测试 衬里层:电火花检测
试验与检验按BS6755标准
公称压力:PN(MPa)
阀体:PN×1.5
密封:PN×1.1
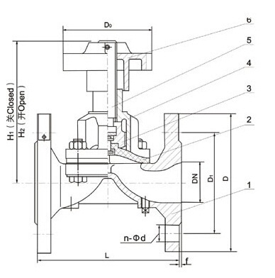
部件列表:1.阀体 2.隔膜 3.阀瓣 4.阀杆 5.阀盖 6、手轮

SEG41W卫生级隔膜阀主要外形尺寸
| DN |
公称压力 MPa |
工作压力 MPa |
L | D | D1 | n-Фd | f | H1 | H2 | D0 | 质量 Kg |
| 15 | 1.6 | 1.6 | 108 | 95 | 65 | 4-14 | 2 | 84 | 92 | 66 | 2 |
| 20 | 117 | 105 | 75 | 4-14 | 2 | 93 | 105 | 66 | 3 | ||
| 25 | 127 | 115 | 85 | 4-14 | 2 | 100 | 112 | 66 | 4 | ||
| 32 | 146 | 140 | 100 | 4-18 | 2 | 127 | 144 | 96 | 6.5 | ||
| 40 | 159 | 150 | 110 | 4-18 | 2 | 136 | 156 | 96 | 7.5 | ||
| 50 | 190 | 165 | 125 | 4-18 | 2 | 151 | 177 | 96 | 10.5 | ||
| 65 | 1.0 | 1.0 | 216 | 185 | 145 | 4-18 | 2 | 183 | 213 | 165 | 17.5 |
| 80 | 254 | 200 | 160 | 8-18 | 2 | 190 | 230 | 230 | 25.5 | ||
| 100 | 305 | 220 | 180 | 8-18 | 2 | 242 | 285 | 280 | 36 | ||
| 125 | 356 | 250 | 210 | 8-18 | 3 | 285 | 348 | 280 | 47.5 | ||
| 150 | 406 | 285 | 240 | 8-22 | 3 | 353 | 431 | 368 | 74 | ||
| 200 | 0.6 | 521 | 340 | 295 | 8-22 | 3 | 445 | 537 | 483 | 143 |